De DucoTon 10 is een tijdloze klassieker en één van de meestverkochte ventilatieroosters! De DucoTon 10 "ZR" is een zelfregelend "Ton" ventilatierooster met Soft-Line design buitenprofiel. Het rooster werd in 1992 geïntroduceerd en wordt in vele projecten gehanteerd.
- Alle RAL kleuren mogelijk, incl. afwijkende kleur binnen / buiten (Bicolor)
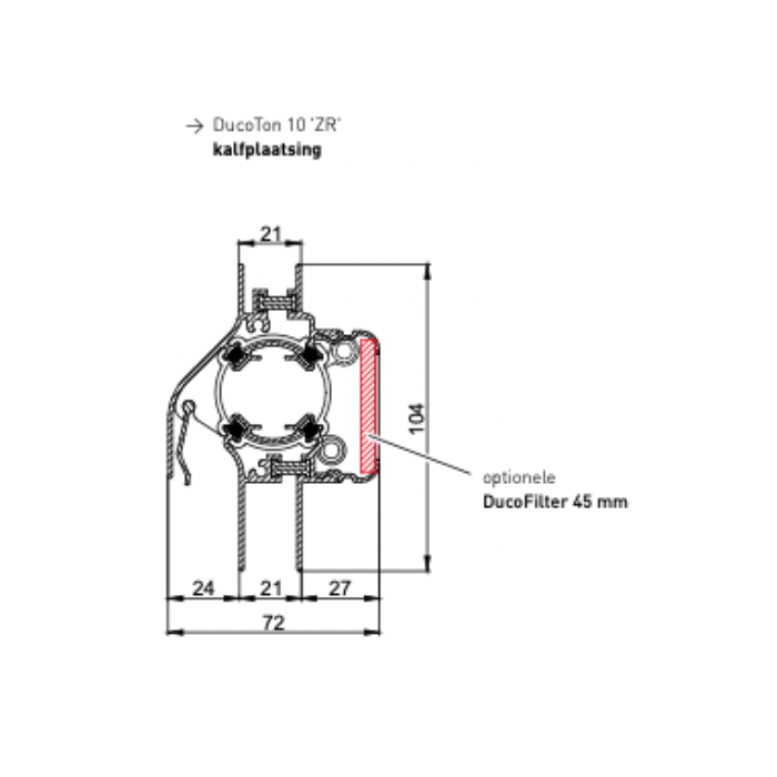
- Geschikt voor glasplaatsing en kalfplaatsing
- Authentiek Duco Soft-Line design
- Dubbele afdichting met borstels met finseal inlage
- Uitstekende thermische werking
- Toepasbaar bij elke glasdikte tot 36mm
LET OP: Bij een bestelling i.c.m. dubbel glas dient u zelf de glasaftrek van 80mm te calculeren. U kunt de glasaftrek van de hoogte van het glas af halen.
Wat is een zelfregulerende klep (ZR) bij een ventilatierooster?
Het DucoTon 10 ZR rooster heeft een zelfregelende klep, dit zorgt voor een stabiel binnenklimaat en houdt de frisse lucht gelijk ondanks de kracht van de wind. De zelfregelende klep voorkomt hierdoor ook dat er tocht in de woning ontstaat.Hoe kunt u de lengte van uw ventilatierooster bepalen?
Een DucoTon 10 ventilatierooster kan precies op maat worden geproduceerd. Voor een juiste lengte van uw ventilatierooster kunt u de lengte van uw rooster gelijk houden met de breedte van de isolatieruit. Vanaf een lengte van 1500mm wordt het rooster in het midden gesplitst in 2 delen. Hierdoor heeft het rooster een dubbele ton welke afzonderlijk van elkaar te bedienen zijn. De minimale lengte om te bestellen is 200mm. De maximale lengte om te bestellen is 2500mm.Hoe kunt u de glasgoot van het ventilatierooster bepalen?
Voor het bestellen van de juiste glasgoot telt u bij de totale opbouw van het isolatieglas 8mm op en indien nodig rond u deze waarde naar boven af.| Spiegels zilver | 8-10 werkdagen |
| Spiegels brons / grijs | 8-10 werkdagen |
| Confrontatiespiegels | 15 werkdagen |
| Veiligheidsspiegels | 8-10 werkdagen |
| Douche- / binnendeuren | 10 werkdagen |
| Legplanken / tafelbladen | 10 werkdagen |
| Los gehard glas | 10 werkdagen |
| Glas met facet | +1 week extra |
| Dubbel glas | 10-12 werkdagen |
| Triple glas | 10-15 werkdagen |
| Zonwerend glas | 10-15 werkdagen |
| Vacuüm glas | 18 werkweken |
| Enkel glas | 10 werkdagen |
| Gelaagd glas | 10-12 werkdagen |
| Gehard-gelaagd glas | 15-20 werkdagen |
| Draadglas | 10 werkdagen |
| Spatwanden (gekleurd) | 15 werkdagen |
| Voorzetramen | 15 werkdagen |
| Losse producten (geen glas) | 2-3 werkdagen |
- Minimale breedte: 200mm
- Maximale breedte: 2500mm
- Alle RAL kleuren (M.u.v. metallic)
- Afwijkende kleur binnen- / buitenzijde is mogelijk
- Kalf- en glasplaatsing
- Beschikbaar in glasgoot 12* / 21* / 26 / 30 / 34 / 38 / 42
- Roosterhoogte: 94mm
- Glasaftrek: 80 mm
- U-waarde 2,26 W / m2 / K
- Ventilatiecapaciteit bij 1 Pa per m: 10,2 dm³/s
- Standaardbediening: Hendel 30mm
Download hier de plaatsingsinstructie voor het Ducoton ventilatierooster:
Download PI_Glasroosters-(nl)€ 128,10
Nu ook met Klarna achteraf betalen!
- Klanten beoordelen ons met een 9,2
- Levering in Nederland en Vlaanderen
- Gratis afhalen op 5 locaties in NL & BE
- Neem contact met ons op voor advies
De DucoTon 10 is een tijdloze klassieker en één van de meestverkochte ventilatieroosters! De DucoTon 10 "ZR" is een zelfregelend "Ton" ventilatierooster met Soft-Line design buitenprofiel. Het rooster werd in 1992 geïntroduceerd en wordt in vele projecten gehanteerd.
- Alle RAL kleuren mogelijk, incl. afwijkende kleur binnen / buiten (Bicolor)
- Geschikt voor glasplaatsing en kalfplaatsing
- Authentiek Duco Soft-Line design
- Dubbele afdichting met borstels met finseal inlage
- Uitstekende thermische werking
- Toepasbaar bij elke glasdikte tot 36mm
LET OP: Bij een bestelling i.c.m. dubbel glas dient u zelf de glasaftrek van 80mm te calculeren. U kunt de glasaftrek van de hoogte van het glas af halen.
Wat is een zelfregulerende klep (ZR) bij een ventilatierooster?
Het DucoTon 10 ZR rooster heeft een zelfregelende klep, dit zorgt voor een stabiel binnenklimaat en houdt de frisse lucht gelijk ondanks de kracht van de wind. De zelfregelende klep voorkomt hierdoor ook dat er tocht in de woning ontstaat.Hoe kunt u de lengte van uw ventilatierooster bepalen?
Een DucoTon 10 ventilatierooster kan precies op maat worden geproduceerd. Voor een juiste lengte van uw ventilatierooster kunt u de lengte van uw rooster gelijk houden met de breedte van de isolatieruit. Vanaf een lengte van 1500mm wordt het rooster in het midden gesplitst in 2 delen. Hierdoor heeft het rooster een dubbele ton welke afzonderlijk van elkaar te bedienen zijn. De minimale lengte om te bestellen is 200mm. De maximale lengte om te bestellen is 2500mm.Hoe kunt u de glasgoot van het ventilatierooster bepalen?
Voor het bestellen van de juiste glasgoot telt u bij de totale opbouw van het isolatieglas 8mm op en indien nodig rond u deze waarde naar boven af.| Spiegels zilver | 8-10 werkdagen |
| Spiegels brons / grijs | 8-10 werkdagen |
| Confrontatiespiegels | 15 werkdagen |
| Veiligheidsspiegels | 8-10 werkdagen |
| Douche- / binnendeuren | 10 werkdagen |
| Legplanken / tafelbladen | 10 werkdagen |
| Los gehard glas | 10 werkdagen |
| Glas met facet | +1 week extra |
| Dubbel glas | 10-12 werkdagen |
| Triple glas | 10-15 werkdagen |
| Zonwerend glas | 10-15 werkdagen |
| Vacuüm glas | 18 werkweken |
| Enkel glas | 10 werkdagen |
| Gelaagd glas | 10-12 werkdagen |
| Gehard-gelaagd glas | 15-20 werkdagen |
| Draadglas | 10 werkdagen |
| Spatwanden (gekleurd) | 15 werkdagen |
| Voorzetramen | 15 werkdagen |
| Losse producten (geen glas) | 2-3 werkdagen |
- Minimale breedte: 200mm
- Maximale breedte: 2500mm
- Alle RAL kleuren (M.u.v. metallic)
- Afwijkende kleur binnen- / buitenzijde is mogelijk
- Kalf- en glasplaatsing
- Beschikbaar in glasgoot 12* / 21* / 26 / 30 / 34 / 38 / 42
- Roosterhoogte: 94mm
- Glasaftrek: 80 mm
- U-waarde 2,26 W / m2 / K
- Ventilatiecapaciteit bij 1 Pa per m: 10,2 dm³/s
- Standaardbediening: Hendel 30mm
Download hier de plaatsingsinstructie voor het Ducoton ventilatierooster:
Download PI_Glasroosters-(nl)






